32300-sarja Kapeneva rullalaakeri
32300-sarja Kapeneva rullalaakeri
32300-sarja Kapeneva rullalaakeri

32300-sarja

The 32300-sarjan kartiorullalaakerit ovat suurikapasiteettisia irrotettavia laakereita, jotka on suunniteltu hallitsemaan merkittäviä radiaalisia ja aksiaalisia kuormia samanaikaisesti. Tässä sarjassa on jyrkkä sisägeometria, jossa sisemmän juoksuradan (kartio), ulomman juoksuradan (kuppi) ja kartiomaisten rullien kosketuskulmat konvergoivat yhteisessä kärjessä laakerin akselilla. Tämä erityinen rakenne varmistaa todellisen rullaavan liikkeen ja alhaisen kitkan käytön aikana. Erittäin puhtaasta kromiteräksestä valmistetulle 32300-sarjalle on ominaista suurempi poikkileikkaus ja suurempi telan halkaisija verrattuna standardisarjoihin, mikä parantaa kantavuutta ja rakenteellista jäykkyyttä. Nämä laakerit asennetaan tyypillisesti pareittain, jotta saavutetaan kaksisuuntainen aksiaalinen rajoitus, mikä tekee niistä peruskomponentteja raskaiden mekaanisten voimansiirtojen ja ajoneuvojen akselikokoonpanoissa.

Lähetä kysely

Tekniset tiedot ja suorituskykyprofiili: 32300-sarjan kartiorullalaakerit

Tekniset ydinedut

  • Yhdistetty kuormanhallinta: Suunniteltu tukemaan suuria työntövoimaa ja radiaalisia voimia optimoinnin avulla suippenevat kosketuskulmat .
  • Erotettavat komponentit: Kuppi ja kartiokokoonpano (rullat ja häkki) ovat itsenäisesti asennettavissa, mikä helpottaa huoltoa ja tarkkuus välyksen säätö .
  • Korkea mittavakaus: Erikoistuneet lämpökäsittelyprosessit varmistavat laakerin säilymisen geometriset toleranssit vaihtelevissa lämpöolosuhteissa.
  • Matala käyttökitka: Tarkkuushiotut ajoradat minimoivat pinnan karheutta vähentäen vääntömomenttia ja lämmön kertymistä nopea pyöriminen .

Tekniset ominaisuudet

Materiaalin erittely GCr15 korkeahiilinen kromilaakeriteräs
Häkin materiaali Puristettu teräs / koneistettu messinki (sovelluksesta riippuen)
Tarkkuusluokka P0 (normaali), P6, P5
Lataustyyppi Yksisuuntainen aksiaalinen korkea radiaalinen
Lämpötila-alue -30°C - 120°C (vakiovoitelu)

Ensisijaiset sovellusskenaariot

  • Autojen voimansiirrot: Raskaiden kuorma-autojen pyörän navat, erottimet ja siirtojärjestelmät.
  • Teollisuuden koneet: Pääkomponentit sisään vaihteiston alennusyksiköt , valssaamot ja kaivoslaitteet.
  • Rakennuslaitteet: Integroitu kaivinkoneiden ja puskutraktorien loppukäyttökokoonpanoihin iskukuormituksen kestävyys .
  • Maataloustekniikka: Korkean jännityksen nivelpisteet ja vetoakselit traktoreissa ja sadonkorjuukoneissa.

Asennus- ja huoltoprotokollat

Varastointi ja käsittely

Laakerit tulee säilyttää puhtaassa, kuivassa ympäristössä a vakio lämpötila kosteuden tiivistymisen estämiseksi. Alkuperäisen suojarasvapinnoitteen on säilyttävä ehjänä; älä poista ruosteenestopakkaus asennushetkeen asti. Vältä pystysuoraa pinoamista määritettyjen korkeuksien yli elliptinen muodonmuutos sormuksista.

Käyttöä koskevat varotoimet

  • Aksiaalinen välyksen säätö: Kokoamisen aikana lopputoisto tai esilataus on asetettava tarkasti valmistajan ohjeiden mukaan ennenaikaisen väsymisen tai ylikuumenemisen välttämiseksi.
  • Saastumisen valvonta: Varmista, että kotelossa ja akselissa ei ole hankaavia hiukkasia; hyödyntää yhteensopivat tiivisteet ylläpitämään voiteluaineen puhtautta ulkona tai pölyisissä ympäristöissä.
  • Voiteluaineen valinta: Käytä Extreme Pressure (EP) -lisäaineet rasvoissa sovelluksissa, joissa on suuria iskukuormituksia riittävän öljykalvon ylläpitämiseksi telojen ja juoksuteiden välillä.
  • Kohdistuksen vahvistus: Varmista akselin ja kotelon välinen samankeskisyys on määritettyjen rajojen sisällä kartiomaisten rullien reunakuormituksen estämiseksi.

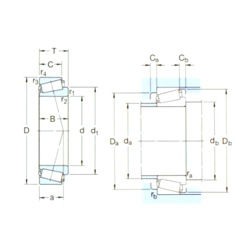
Tuoteparametrit

Nimitys Päämitat (mm) Peruskuormitusluokitukset (KN) Pu Nopeusarvot (rpm) Paino (kg) ISO335 Mitat (mm) Abutmentin ja fileen mitat (mm) Arvo
d1 D B dyc (Cr) stc (Cor) Nopeusluokitukset Nopeuden rajoittaminen Mitat (ABMA) d d1~ B C r1,2 (min) r3,4 (min) a da(max) db(min) Da(min) Da(max) Db(min) Ca(min) Cb(min) ra (max) rb (max) e Y Joo
32303J2/Q 17 47 20,25 40 33,5 3,65 12000 16000 0,17 2FD 17 30,7 19 16 1 1 12 24 23 39 41 43 3 4 1 1 0,28 2,1 1,1
32304J2/Q 20 52 22,25 51 45,5 5 12000 14000 0,23 2FD 20 34,5 21 18 1,5 1,5 14 27 27 43 45 47 3 4 1,5 1,5 0,3 2 1,1
32305J2 25 62 25,25 60,5 63 7,1 8000 12000 0,36 2FD 25 41,7 24 20 1,5 1,5 15 33 32 52 55 57 3 5 1,5 1,5 0,3 2 1,1
32306J2/Q 30 72 28,75 88 85 9,65 7500 10000 0,55 2FD 30 48,7 27 23 1,5 1,5 18 39 37 59 65 66 3 5,5 1,5 1,5 0,31 1,9 1,1
32307J2/Q 35 80 32,75 95,2 106 12,2 6700 9000 0,73 2FE 35 54,8 31 25 2 1,5 20 44 44 66 71 74 4 7,5 2 1,5 0,31 1,9 1,1
32307BJ2/Q 35 80 32,75 93,5 114 13,2 6300 8500 0,80 5FE 35 59,3 31 25 2 1,5 24 42 44 61 71 76 4 7,5 2 1,5 0,54 1,1 0,6
32307/37BJ2/Q 37 80 32,75 93,5 114 13,2 6300 8500 0,85 - 37 54,8 31 25 2 1,5 20 44 44 66 71 74 4 7,5 2 1,5 0,54 1,1 0,6
32308J2/Q 40 90 35,25 117 140 16 5300 8000 1,00 2FD 40 62,9 33 27 2 1,5 23 51 49 73 81 82 3 8 2 1,5 0,35 1,7 0,9
32309J2/Q 45 100 38,25 140 170 20,4 4800 7000 1,35 2FD 45 70,4 36 30 2 1,5 25 57 53 82 91 93 4 8 2 1,5 0,35 1,7 0,9
32309BJ2/QCL7C 45 100 38,25 156 176 20 5000 6700 1,45 5FD 45 74,8 36 30 2 1,5 30 55 53 76 91 94 5 8 2 1,5 0,54 1,1 0,6
32310J2/Q 50 110 42,25 172 212 24 4300 6300 1,80 2FD 50 77,7 40 33 2,5 2 27 63 60 90 100 102 5 9 2 2 0,35 1,7 0,9
32310TN9 50 110 42,25 172 212 24 4300 6300 1,80 2FD 50 77,7 40 33 2,5 2 27 63 60 90 100 102 5 9 2 2 0,35 1,7 0,9
32310BJ2/QCL7C 50 110 42,25 183 216 24,5 4500 6000 1,85 5FD 50 82,9 40 33 2,5 2 34 62 60 83 100 103 5 9 2 2 0,54 1,1 0,6
32311J2 55 120 45,5 198 250 28,5 4000 5600 2,30 2FD 55 84,6 43 35 2,5 2 29 68 65 99 112 111 5 10,5 2 2 0,35 1,7 0,9
32311BJ2/QCL7C 55 120 45,5 216 260 30 4300 5600 2,50 5FD 55 90,5 43 35 2,5 2 36 67 65 91 112 112 5 10,5 2 2 0,54 1,1 0,6
32312J2/Q 60 130 48,5 229 290 34 3600 5300 2,85 2FD 60 91,7 46 37 3 2,5 31 74 72 107 118 120 6 11,5 2,5 2 0,35 1,7 0,9
32312BJ2/QCL7C 60 130 48,5 255 305 35,5 3800 5000 2,80 5FD 60 98,1 46 37 3 2,5 38 73 72 99 118 122 6 11,5 2,5 2 0,54 1,1 0,6
32313J2/Q 65 140 51 264 335 40 3400 4800 3,45 2GD 65 99,2 48 39 3 2,5 33 80 77 117 128 130 6 12 2,5 2 0,35 1,7 0,9
32313BJ2/QU4CL7CVQ267 65 140 51 285 345 40,5 3600 4800 3,35 5GD 65 105 48 39 3 2,5 41 79 77 107 128 131 6 12 2,5 2 0,54 1,1 0,6
32314J2/Q 70 150 54 297 380 45 3200 4500 4,30 2GD 70 106 51 42 3 2,5 36 86 82 125 138 140 6 12 2,5 2 0,35 1,7 0,9
32314BJ2/QCL7C 70 150 54 325 400 46,5 3400 4300 4,25 5GD 70 113 51 42 3 2,5 44 85 82 115 138 141 7 12 2,5 2 0,54 1,1 0,6
32315J2 75 160 58 336 440 51 3000 4300 5,20 2GD 75 113 55 45 3 2,5 38 92 87 133 148 149 7 13 2,5 2 0,35 1,7 0,9
32315BJ2/QCL7C 75 160 58 380 475 55 3200 4000 5,55 5GD 75 120 55 45 3 2,5 46 90 87 124 148 151 7 13 2,5 2 0,54 1,1 0,6
32316J2 80 170 61,5 380 500 57 3000 4300 6,20 2GD 80 120 58 48 3 2,5 41 98 92 142 158 159 7 13,5 2,5 2 0,35 1,7 0,9
32317J2 85 180 63,5 402 530 60 2800 4000 6,85 2GD 85 126 60 49 4 3 42 103 99 150 166 167 7 14,5 3 2,5 0,35 1,7 0,9
32317BJ2 85 180 63,5 391 560 62 2800 4000 7,50 5GD 85 135 60 49 4 3 52 102 99 138 166 169 7 14,5 3 2,5 0,54 1,1 0,6
32318J2 90 190 67,5 457 610 67 2600 4000 8,40 2GD 90 133 64 53 4 3 44 109 105 157 176 177 7 14,5 3 2,5 0,35 1,7 0,9
32319J2 95 200 71,5 501 670 72 2400 3400 11,0 2GD 95 141 67 55 4 3 47 115 110 166 186 186 8 16,5 3 2,5 0,35 1,7 0,9
32320J2 100 215 77,5 572 780 83 2200 3000 12,5 2GD 100 151 73 60 4 3 51 123 115 177 201 200 8 17,5 3 2,5 0,35 1,7 0,9
32321J2 105 225 81,5 605 815 85 2000 3000 14,5 2GD 105 158 77 63 4 3 53 129 120 185 211 209 9 18,5 3 2,5 0,35 1,7 0,9
32322 110 240 84,5 627 830 86,5 1900 2800 17,0 2GD 110 168 80 65 4 3 55 137 125 198 226 222 9 19,5 3 2,5 0,35 1,7 0,9
32324J2 120 260 90,5 792 1120 110 1800 2600 21,5 2GD 120 181 86 69 4 3 60 148 135 213 245 239 9 21,5 3 2,5 0,35 1,7 0,9

Tietoja yrityksestä Yinin

Shanghai Yinin laakeri- ja siirtoyhtiö Perustettu vuonna 2009, ja meillä on yli 20 vuoden kokemus laakerialalta. Olemme kiinalainen 32300-sarja Kapeneva rullalaakeri valmistaja ja tarjoamme räätälöityjä 32300-sarja Kapeneva rullalaakeri tehtaita.. Vuodesta 1999 lähtien olemme toimineet kiinalaisten laakerivalmistajien edustajana ja vieneet erilaisia ​​laakereita. Nykyään olemme kehittyneet kattavaksi laakeriryhmäksi, joka yhdistää myynnin ja valmistuksen.

Teollisuuden sovellukset

Laakereilla on myös erittäin tärkeä rooli maatalouden koneissa. Niitä käytetään tukemaan kiertävi...

Laakereita käytetään laajasti autoissa. Ne ovat tärkeimpiä tukevia ja pyöriviä osia monista autos...

Käytetään lääketieteellisten laitteiden tukemiseen, korkeuteen, kulmaan, niveliin ja pyöriviin os...

Käytetään kodinkoneiden tukemiseen, kiertoon, moottori- ja kompressorin osiin.

Käytetään automaatiolaitteiden tuen kiertämiseen ja liikkumiseen ja ohjaamaan

Rakennusrakenteissa laakereita voidaan käyttää erilaisten rakenteellisten komponenttien yhdistämi...

Elintarvikkeiden ja juomien tuotantoprosessissa nesteiden kuljettamiseen tarvitaan pumppuja ja ko...

Laakereita käytetään lentokoneissa ja avaruusaluksen moottoreissa tukemaan pyöriviä komponentteja...

Uutiset ja tiedot

Lisätietoja

2026-04-30

Ruostumattomasta teräksestä valmistetut laakerit: ruost...
Ruostumattomasta teräksestä valmistetut laakerit ovat teollisuus- ja kuluttajatuotteissa laajimmin käytettyjä laakerimateriaaleja. Ne tarjoavat hyvän korroosionkestävyyden useimmissa ympärist...

2026-04-23

Tekniset strategiat ruostumattomasta teräksestä valmist...
Shanghai Yinin Bearing & Transmission Company, joka on perustettu teollisuuden ja kaupan integroituneena yrityksenä vuodesta 2016, on erikoistunut huippuluokan pyörivien komponenttien kokonaisvalta...

2026-04-15

Kuinka valita oikea sisävälys kulmakoskettimelle kaksir...
Suurten pyörimisnopeuksien vaikutus laakerin välykseen Keskipakovoima ja lämpölaajeneminen : Nopeissa sovelluksissa an kulmakosketin kaksirivinen kuulalaakeri tyypillisest...

Ota yhteyttä

SUBMIT

Tekninen konsultointi

  • Shanghai Yinin laakeri- ja siirtoyhtiö

    Räätälöidyt ratkaisut

  • Shanghai Yinin laakeri- ja siirtoyhtiö

    Jatkuva tutkimus- ja kehitystyö

  • Shanghai Yinin laakeri- ja siirtoyhtiö

    Laadunvalvonta

  • Shanghai Yinin laakeri- ja siirtoyhtiö

    Tekninen tuki ja koulutus

  • Shanghai Yinin laakeri- ja siirtoyhtiö

    Nopea vastaus

Jos sinulla on teknistä konsultointia tai palautetta, annamme sinulle ammattimaisen vastauksen mahdollisimman pian!

Ota yhteyttä