SG -sarja Radan rullalaakerit
SG -sarja Radan rullalaakerit
SG -sarja Radan rullalaakerit

SG -sarja

SG -sarjan kiertoratan laakeri on korkean suorituskyvyn laakerituote, joka on erityisesti suunniteltu rata- ja ohjausjärjestelmille. He käyttävät edistyneitä valmistusprosesseja ja korkealaatuisia materiaaleja stabiilisuuden ja kestävyyden varmistamiseksi ääriolosuhteissa. Tällä laakerilla on erinomainen kuormituskyky ja kulumiskestävyys, ja se sopii raskaan ja nopeaan sovellukseen, kuten rautateisiin, rakennuskoneisiin ja kuljetuslaitteisiin. SG -sarjan suunnitteluominaisuuksia ovat optimoitu valssauselementti sekä sisä- ja ulkorenkaan muodot kitkan vähentämiseksi ja tehokkuuden parantamiseksi. Lisäksi nämä laakerit toimivat hyvin myös tiivistymisen ja pölynkestävyyden suhteen, pidentäen niiden käyttöikäisiä tehokkaasti. Olipa ankarissa ympäristöissä tai monimutkaisissa käyttöolosuhteissa, SG -sarjan kiertoradan laakerit voivat tarjota luotettavan suorituskyvyn ja varmistaa laitteiden turvallisen käytön.

Lähetä kysely

SG-sarjan radan rullalaakerit-korkea kuorma, pitkäikäinen teollisuusratkaisut

SG -sarjan radan rullalaakerit ovat raskaita rullalaakereita, jotka on suunniteltu ankariin teollisuusympäristöihin, jotka sopivat suuriin iskuihin, jatkuvaan käyttöön ja äärimmäisiin lämpötilaolosuhteisiin. Korkealaatuisista teräs- ja tarkkuusvalmistusprosesseista valmistettuja ne takaavat pienen kitkan, suuren jäykkyyden ja erittäin pitkän käyttöiän, mikä tekee niistä ihanteellisia rakennuskoneisiin, automaatiolaitteisiin ja rautatiejärjestelmiin.

Erinomainen kestävyys
Valmistettu tyhjiökaasutetusta laakeriterästä (SUJ2), jonka kovuus on HRC 60-64, kulumiskestävyys kasvaa 50%.
Pintafosfatointi, ruosteenkestävä suorituskyky täyttää ISO-standardit, jotka sopivat ankariin ympäristöihin, kuten kosteuteen ja pölyyn.

Korkea kuormituskapasiteetti
Dynaaminen kuormitusluokitus (c) saavuttaa XX KN: n, staattinen kuorma (C0) saavuttaa XX KN: n (täytä todellisten tietojen mukaan), tukee säteittäisiä ja aksiaalisia yhdistettyjä voimia.
Vahvistettu ulkorenkaan suunnittelu, iskunkestävyys on 30% parempi kuin vastaavat tuotteet.

Matala ylläpidon suunnittelu
Ennustettu tiivistimet (valinnainen LLB-tiiviste tai metallipölykansi), rasvan käyttöikä 10 000 tuntiin saakka.
Modulaarinen suunnittelu tukee nopeaa korvaamista ja vähentää seisokkeja.

Tarkka toiminta
Toleranssiluokka ISO P6: iin asti, toiminnan värähtelyarvo on alhaisempi kuin alan standardi, joka sopii tarkkaan opasrautatiejärjestelmään.

Miksi valita SG -sarjamme?
Räätälöity palvelu: Tuki epästandardikoko, erityinen pinnoite (kuten nikkelipinnoitus) ja voiteluaineen mukauttaminen.
Globaali todentaminen: Tuotteet viedään 30 maahan.

Sovellusskenaariot
Teollisuuskoneet: Tulostuskoneet, paperinvalmistuskoneet, automaatiokoneet, tekstiilikoneet, myyntiautomaattiset koneet, puuntyöstökoneet, pakkauskoneet
Elektroniset laitteet: robottivarret, mittauslaitteet, X-Y-alustat, lääketieteelliset laitteet, tehdasautomaatiolaitteet
Kiertokoneet: metallilämpökäsittelyreaktorit, jarrujärjestelmät jne.
Ilmailualan teollisuus: Ilma -aluksen läppäjarrut, istuinjarrut, ohjukset, lentokenttävarusteet jne.
Muut: Lähetysantennijarrut, ovi- ja ikkunaohjaimet, lääketieteelliset sängyn hallintalaitteet, pysäköintitilat, työstötyökalut, laboratorioautomaatio jne.

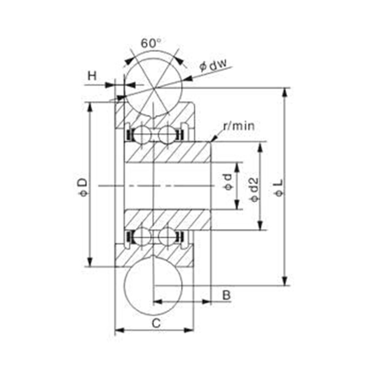
Tuoteparametrit

Tyyppi Mitat (mm) Kuorma (kN) Paino
d -dw d D -d C B - Lens D2 H CW Lehmä (Kg)
SG15 6 5 17 8 5.75 20.46 8.6 1 1.27 0.82 8
SG15-10 10 5 17 8 5.75 25.5 8.6 1 1.27 0.82 9
SG20 8 6 24 11 7.25 28.62 11.1 1.2 3.4 1.7 25
SG25 10 8 30 14 8.5 35.77 13 1.5 3.67 2.28 49
SG35 12 12 42 19 12.5 48.93 18 1.5 8.5 5.1 136
Sg15n 6 5 17 8 5.75 20.46 8.6 0.5 1.27 0.82 8
SG20N 8 6 24 11 7.25 28.62 11.1 0.7 3.4 1.7 25
Sg25n 10 8 30 14 8.5 35.77 13 1 3.67 2.28 49
Sg35n 12 12 42 19 12.5 48.93 18 1 8.5 5.1 136

Tietoja yrityksestä Yinin

Shanghai Yinin laakeri- ja siirtoyhtiö Perustettu vuonna 2009, ja meillä on yli 20 vuoden kokemus laakerialalta. Olemme kiinalainen SG -sarja Radan rullalaakerit valmistaja ja tarjoamme räätälöityjä SG -sarja Radan rullalaakerit tehtaita.. Vuodesta 1999 lähtien olemme toimineet kiinalaisten laakerivalmistajien edustajana ja vieneet erilaisia ​​laakereita. Nykyään olemme kehittyneet kattavaksi laakeriryhmäksi, joka yhdistää myynnin ja valmistuksen.

Teollisuuden sovellukset

Laakereilla on myös erittäin tärkeä rooli maatalouden koneissa. Niitä käytetään tukemaan kiertävi...

Laakereita käytetään laajasti autoissa. Ne ovat tärkeimpiä tukevia ja pyöriviä osia monista autos...

Käytetään lääketieteellisten laitteiden tukemiseen, korkeuteen, kulmaan, niveliin ja pyöriviin os...

Käytetään kodinkoneiden tukemiseen, kiertoon, moottori- ja kompressorin osiin.

Käytetään automaatiolaitteiden tuen kiertämiseen ja liikkumiseen ja ohjaamaan

Rakennusrakenteissa laakereita voidaan käyttää erilaisten rakenteellisten komponenttien yhdistämi...

Elintarvikkeiden ja juomien tuotantoprosessissa nesteiden kuljettamiseen tarvitaan pumppuja ja ko...

Laakereita käytetään lentokoneissa ja avaruusaluksen moottoreissa tukemaan pyöriviä komponentteja...

Uutiset ja tiedot

Lisätietoja

2026-03-26

What are the Structural Advantages of Using an Angular ...
In high-precision mechanical engineering, the choice between integrated components and modular assemblies often determines the ultimate stability of the system. For rotational applications requiring h...

2026-03-19

Why Is Your 6000 Ball Bearing Overheating, and How Can ...
In the realm of precision rotating machinery, the 6000 ball bearing is a ubiquitous component, favored for its ability to handle both radial and axial loads in a compact 10x26x8mm footprint. However, ...

2026-03-12

Why are Food-Grade Stainless Steel Deep Groove Ball Bea...
In the high-stakes environment of food and beverage manufacturing, mechanical reliability and biological safety are inseparable. The choice of stainless steel deep groove ball bearings is a critical e...

Ota yhteyttä

SUBMIT

Tekninen konsultointi

  • Shanghai Yinin laakeri- ja siirtoyhtiö

    Räätälöidyt ratkaisut

  • Shanghai Yinin laakeri- ja siirtoyhtiö

    Jatkuva tutkimus- ja kehitystyö

  • Shanghai Yinin laakeri- ja siirtoyhtiö

    Laadunvalvonta

  • Shanghai Yinin laakeri- ja siirtoyhtiö

    Tekninen tuki ja koulutus

  • Shanghai Yinin laakeri- ja siirtoyhtiö

    Nopea vastaus

Jos sinulla on teknistä konsultointia tai palautetta, annamme sinulle ammattimaisen vastauksen mahdollisimman pian!

Ota yhteyttä